全国服务热线:
+86-372-2595077/2595078/2595088
用途:
矿用双工位本安型电磁铁采用本质安全型设计,配套煤矿支架液压电控系统先导阀,符合GB/T 3836.1-2021及GB/T 3836.4-2021规定,防护等级可达IP65,适合煤矿开采复杂的井下工作环境。
主要技术参数
电压 (V) | 额定吸力 (N) | 额定行程 (mm) | 全行程 (mm) | 消耗功率 (W) | 防护等级 |
DC12 | ≥10 | 1.0 | ≥1.9 | 1.3 | IP65 |
行程-力特性曲线

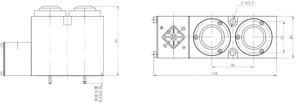
外形及安装尺寸
SG-10

SM-10-L

SL-10-M12

SKM-10

SK-10

SKP-10

STH-10

SY40-10

使用注意事项
● 电磁铁手动操作机构位于推杆尾部,外部有橡胶帽防护,在紧急情况需要手动操作时务必不要用尖锐工具操作防止橡胶帽损伤,导致产品内部进水引起失效。
● 电磁铁推杆外露部分细长,安装周转过程中注意防护。
样本说明
● 根据客户需求可定制设计生产,接线盒材质及位置、插头接线形式、安装结构等。采用部分工程塑料零件或整体塑料外壳的产品可以降低产品重量,且大幅度降低因电磁铁生锈引起的升井维修更换,为客户使用提供较大便利。
● 特性曲线仅供参考。
中文(简体)
English
Русский
Espa?ol